Seria 30300 Rulment cu role conic
Seria 30300 Rulment cu role conic
Seria 30300 Rulment cu role conic

Seria 30300

Rulmentul cu role conice din seria 30300 este un rulment de înaltă performanță utilizat pe scară largă în utilaje industriale, automobile și echipamente grele. Această serie de rulmenți adoptă un design conic, care poate rezista la sarcini axiale și radiale mari și are o precizie ridicată de rotație și rezistență la uzură. Structura sa internă este optimizată pentru a reduce eficient frecarea și căldura, extinzându -și astfel durata de viață. Rulmenții din seria 30300 sunt de obicei confecționate din oțel din aliaj de înaltă calitate, cu prelucrare fină a suprafeței și tratament termic pentru a-și îmbunătăți rezistența și durabilitatea. Această serie de rulmenți are, de asemenea, o performanță bună de sigilare, ceea ce poate preveni eficient intruziunea poluanților externi și se adaptează la diverse medii de lucru dure.

Trimiteți o cerere

Parametrii produsului

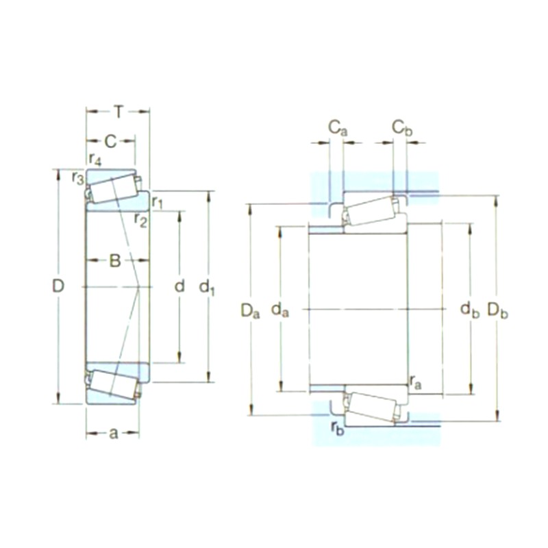
D.esemnore Dimensiuni principale (mm) Evaluări D.e încărcare de bază (KN) PU Evaluări de viteză (RPM) Greutate (kg) ISO335 Dimensiuni (mm) Dimensiuni de abutare și file (mm) Valoare
D1 D B DY.C. (CR) STC (COR) Evaluări de viteză Limitarea vitezei Dimensiuni (ABMA) d D1 ~ B C R1,2 (min) R3,4 (min) a da (max) DB (min) DA (min) Da (max) DB (min) CA (min) CB (min) RA (Max) RB (Max) e Y Eu
30303J2 17 47 15,25 28,1 25 2,75 12000 16000 0,13 2fb 17 30,4 14 12 1 1 10 25 23 40 41 42 2 3 1 1 0,28 2,1 1,1
32303J2/Q. 17 47 20,25 40 33,5 3,65 12000 16000 0,17 2fd 17 30,7 19 16 1 1 12 24 23 39 41 43 3 4 1 1 0,28 2,1 1,1
30304J2/Q. 20 52 16,25 39 32,5 3,6 12000 14000 0,17 2fb 20 34,3 15 13 1,5 1,5 11 28 27 44 45 47 2 3 1,5 1,5 0,3 2 1,1
30305J2 25 62 18,25 44,6 43 4,75 9000 12000 0,26 2fb 25 41,5 17 15 1,5 1,5 13 34 32 54 55 57 2 3 1,5 1,5 0,3 2 1,1
30306J2/Q. 30 72 20,75 64 56 6,4 8000 10000 0,39 2fb 30 48,4 19 16 1,5 1,5 15 41 37 62 65 66 3 4,5 1,5 1,5 0,31 1,9 1,1
30307J2/Q. 35 80 22,75 83 73,5 8,3 7500 9000 0,52 2fb 35 54,5 21 18 2 1,5 16 46 44 70 71 74 3 4,5 2 1,5 0,31 1,9 1,1
30308J2/Q. 40 90 25,25 100 95 10,8 6300 8000 0,72 2fb 40 62,5 23 20 2 1,5 19 53 49 77 81 82 3 5 2 1,5 0,35 1,7 0,9
30309J2/Q. 45 100 27,25 125 120 14,3 5600 7000 0,97 2fb 45 70,1 25 22 2 1,5 21 59 53 86 91 92 3 5 2 1,5 0,35 1,7 0,9
30310J2/Q. 50 110 29,25 143 140 16,6 5300 6300 1.25 2fb 50 77,2 27 23 2,5 2 23 65 60 95 100 102 4 6 2 2 0,35 1,7 0,9
30311j2/q 55 120 31,5 166 163 19,3 4800 5600 1.55 2fb 55 84 29 25 2,5 2 24 71 65 104 112 111 4 6,5 2 2 0,35 1,7 0,9
30312J2/Q. 60 130 33,5 168 196 23,6 4000 5300 1.95 2fb 60 91,9 31 26 3 2,5 26 77 72 112 118 120 5 7,5 2,5 2 0,35 1,7 0,9
30313J2/Q. 65 140 36 194 228 27,5 3600 4800 2,40 2 GB 65 98,6 33 28 3 2,5 28 84 77 122 128 130 5 8 2,5 2 0,35 1,7 0,9
30314J2/Q. 70 150 38 220 260 31 3400 4500 2,90 2 GB 70 105 35 30 3 2,5 29 90 82 130 138 140 5 8 2,5 2 0,35 1,7 0,9
30315J2/Q. 75 160 40 246 290 34 3200 4300 3,45 2 GB 75 112 37 31 3 2,5 31 96 87 139 148 149 5 9 2,5 2 0,35 1,7 0,9
30316J2 80 170 42,5 270 320 38 3000 4300 4,10 2 GB 80 120 39 33 3 2,5 33 102 92 148 158 159 5 9,5 2,5 2 0,35 1,7 0,9
30317J2 85 180 44,5 303 365 40,5 2800 4000 4,85 2 GB 85 126 41 34 4 3 35 107 99 156 166 167 6 10,5 3 2,5 0,35 1,7 0,9
30318J2 90 190 46,5 330 400 44 2600 4000 5,65 2 GB 90 132 43 36 4 3 36 113 105 165 176 176 6 10,5 3 2,5 0,35 1,7 0,9
30319 95 200 49,5 330 390 42,5 2600 3400 6,70 2 GB 95 139 45 38 4 3 39 118 110 172 186 184 6 11,5 3 2,5 0,35 1,7 0,9
30320J2 100 215 51,5 402 490 53 2400 3200 8,05 2 GB 100 148 47 39 4 3 40 127 115 184 201 197 6 12,5 3 2,5 0,35 1,7 0,9
30322J2 110 240 54,5 473 585 62 2200 2800 11,0 2 GB 110 165 50 42 4 3 43 142 125 206 226 220 8 12,5 3 2,5 0,35 1,7 0,9
30324J2 120 260 59,5 561 710 73,5 2000 2600 14,0 2 GB 120 178 55 46 4 3 47 153 135 221 245 237 7 13,5 3 2,5 0,35 1,7 0,9
30326J2 130 280 63,75 627 800 83 1800 2400 17,0 2 GB 130 196 58 49 5 4 51 164 150 239 263 255 8 14,5 4 3 0,35 1,7 0,9
33030 150 225 59 457 865 86,5 2000 2600 8,15 2ee 150 188 59 46 3 2,5 48 164 162 200 213 217 8 13 2,5 2 0,37 1,6 0,9
30332J2 160 340 75 913 1180 114 1500 2000 29,0 2 GB 160 233 68 58 5 4 61 201 180 290 323 310 9 17 4 3 0,35 1,7 0,9
30352J2 260 540 113 2120 3050 250 850 1200 110 - 260 376 102 85 6 6 97 325 286 461 514 493 15 28 5 5 0,35 1,7 0,9

Despre Yinin

Compania de transport și transmisie Shanghai Yinin Înființată în 2009, cu peste 20 de ani de experiență în domeniul rulmenților. Suntem un Producător Seria 30300 Rulment cu role conic Chinez și oferim Fabrică Seria 30300 Rulment cu role conic Personalizată. Din 1999, acționăm ca agent al producătorilor chinezi de rulmenți, exportând diverse tipuri de rulmenți. Astăzi, ne-am dezvoltat într-un grup cuprinzător de rulmenți care integrează vânzările și producția.

Aplicații industriale

De asemenea, rulmenții joacă un rol foarte important în utilajele agricole. Sunt folosite pentru ...

Rulmenții sunt utilizați pe scară largă în automobile. Sunt principalele părți de susținere și ro...

Folosit pentru suport, înălțime, unghi, îmbinare și piese rotative ale echipamentelor medicale.

Folosit pentru suport, rotație, motor și compresor părți ale aparatelor de uz casnic.

Folosit pentru rotația și mișcarea suportului și a ghidului părți ale echipamentelor de automatiz...

În structurile de construcții, rulmenții pot fi folosiți pentru a conecta diferite componente str...

În procesul de producție a alimentelor și băuturilor, pompele sunt necesare pentru transportul li...

Rulmenții sunt folosiți în motoarele aeronave și nave spațiale pentru a sprijini componente rotat...

Știri și informații

Aflați mai multe

2026-02-26

Care sunt diferențele critice dintre gradele de precizi...
În lumea de înaltă precizie a prelucrărilor cu control numeric computerizat (CNC), performanța 6000 rulment cu bile este fundamentală pentru obținerea preciziei sub-micron. Ca cal de bătaie ...

2026-02-19

Analiză tehnică: Care sunt principalele diferențe între...
În domeniul ingineriei de înaltă precizie, selectarea materialului corect pentru Rulmenți adânci cu bile din oțel inoxidabil este o decizie care dictează durata de viață operațională ...

2026-02-12

Este un rulment cu bile din oțel inoxidabil 6200 necesa...
În domeniul ingineriei mișcării rotative, seria 6200 este unul dintre cei mai utilizați rulmenți adânci cu bile, datorită versatilității și capacității de încărcare radială optimizate. Cu toate ace...

Contactați-ne

SUBMIT

Consultanță tehnică

  • Compania de transport și transmisie Shanghai Yinin

    Soluții personalizate

  • Compania de transport și transmisie Shanghai Yinin

    Cercetare și dezvoltare continuă

  • Compania de transport și transmisie Shanghai Yinin

    Controlul calității

  • Compania de transport și transmisie Shanghai Yinin

    Asistență tehnică și instruire

  • Compania de transport și transmisie Shanghai Yinin

    Răspuns rapid

Dacă aveți orice consultanță tehnică sau feedback, vă vom oferi cel mai profesionist răspuns cât mai curând posibil!

Contactați-ne