Seria 31300 Rulment cu role conic
Seria 31300 Rulment cu role conic
Seria 31300 Rulment cu role conic

Seria 31300

Rulmenții cu role conice din seria 31300 sunt rulmenți cu o capacitate ridicată de încărcare și rezistență excelentă la uzură și sunt utilizate pe scară largă în diverse echipamente și utilaje industriale. Această serie de rulmenți adoptă un design de role conic și poate rezista la sarcini radiale și axiale. Este potrivit pentru utilizare în medii de operare cu sarcină mare și de mare viteză. Caracteristicile sale structurale includ suprafețe de contact conice pe inelele interioare și exterioare, asigurând o potrivire precisă între role și piste, reducând astfel frecarea și generarea de căldură. Materialul rulmenților din seria 31300 este de obicei oțel din aliaj de înaltă calitate, care este tratat termic pentru a spori duritatea și durabilitatea. În plus, acest rulment are, de asemenea, capacități bune de auto-aliniere, care pot compensa abaterile cauzate de instalarea necorespunzătoare sau îndoirea arborelui, prelungindu-și durata de viață. Zonele comune de aplicare includ industria auto, utilaje miniere, echipamente metalurgice și aerospațial.

Trimiteți o cerere

Parametrii produsului

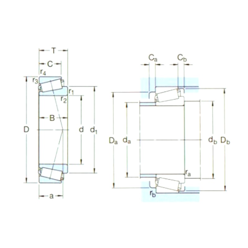
D.esemnore Dimensiuni principale (mm) Evaluări D.e încărcare de bază (KN) PU Evaluări de viteză (RPM) Greutate (kg) ISO335 Dimensiuni (mm) Dimensiuni de abutare și file (mm) Valoare
D1 D B DY.C. (CR) STC (COR) Evaluări de viteză Limitarea vitezei Dimensiuni (ABMA) d D1 ~ B C R1,2 (min) R3,4 (min) a da (max) DB (min) DA (min) Da (max) DB (min) CA (min) CB (min) RA (Max) RB (Max) e Y Eu
31305J2 25 62 18,25 38 40 4,4 7500 11000 0,26 7fb 25 45,8 17 13 1,5 1,5 20 34 32 47 55 59 3 5 1,5 1,5 0,83 0,72 0,4
31306J2/Q. 30 72 20,75 55 50 5,7 7500 9500 0,39 7fb 30 52,7 19 14 1,5 1,5 22 40 37 55 65 68 3 6,5 1,5 1,5 0,83 0,72 0,4
31307J2/Q. 35 80 22,75 71 67 7,8 6300 8500 0,52 7fb 35 59,6 21 15 2 1,5 25 45 44 62 71 76 3 7,5 2 1,5 0,83 0,72 0,4
31308J2/QCL7C 40 90 25,25 85 81,5 9,5 5600 7500 0,72 7fb 40 67,1 23 17 2 1,5 28 51 49 71 81 86 3 8 2 1,5 0,83 0,72 0,4
31309J2/QCL7C 45 100 27,25 106 102 12,5 5000 6700 0,95 7fb 45 74,7 25 18 2 1,5 31 57 53 79 91 95 4 9 2 1,5 0,83 0,72 0,4
31310J2/QCL7C 50 110 29,25 122 120 14,3 4500 6000 1,20 7fb 50 81,5 27 19 2,5 2 34 62 60 87 100 104 4 10 2 2 0,83 0,72 0,4
31311j2/qcl7c 55 120 31,5 140 137 16,6 4300 5600 1.55 7fb 55 88,4 29 21 2,5 2 37 68 65 94 112 113 4 10,5 2 2 0,83 0,72 0,4
31312J2/QCL7C 60 130 33,5 166 166 20,4 3800 5300 1.90 7fb 60 95,9 31 22 3 2,5 39 74 72 103 118 123 5 11,5 2,5 2 0,83 0,72 0,4
31313J2/QCL7C 65 140 36 190 193 23,6 3600 4800 2,35 7 GB 65 103 33 23 3 2,5 42 80 77 111 128 132 5 13 2,5 2 0,83 0,72 0,4
31314J2/QCL7C 70 150 38 216 220 27 3400 4500 2,95 7 GB 70 110 35 25 3 2,5 45 85 82 118 138 141 5 13 2,5 2 0,83 0,72 0,4
31315J2/QCL7C 75 160 40 240 245 29 3200 4300 3,50 7 GB 75 116 37 26 3 2,5 48 91 87 127 148 151 6 14 2,5 2 0,83 0,72 0,4
31316J1/QCL7C 80 170 42,5 260 265 32 3000 4000 4,05 7 GB 80 124 39 27 3 2,5 52 97 92 134 158 159 6 15,5 2,5 2 0,83 0,72 0,4
31317J2 85 180 44,5 242 285 33,5 2600 3800 4,60 7 GB 85 131 41 28 4 3 55 103 99 143 166 169 6 16,5 3 2,5 0,83 0,72 0,4
31318J2 90 190 46,5 264 315 36,5 2400 3400 5,90 7 GB 90 138 43 30 4 3 57 109 105 151 176 179 5 16,5 3 2,5 0,83 0,72 0,4
31319J2 95 200 49,5 292 355 39 2400 3400 6,95 7 GB 95 145 45 32 4 3 60 114 110 157 186 187 5 17,5 3 2,5 0,83 0,72 0,4
31320XJ2/CL7CVQ051 100 215 56,5 430 465 51 2400 3000 8,60 7 GB 100 158 51 35 4 3 65 121 115 168 201 202 7 21,5 3 2,5 0,83 0,72 0,4
31322xj2 110 240 63 457 585 62 1900 2800 12,0 7 GB 110 176 57 38 4 3 72 135 125 188 226 224 7 25 3 2,5 0,83 0,72 0,4
31324xj2 120 260 68 539 695 73,5 1700 2400 15,5 7 GB 120 190 62 42 4 3 78 145 135 203 245 244 9 26 3 2,5 0,83 0,72 0,4
31326xj2 130 280 72 605 780 81,5 1600 2400 18,5 7 GB 130 204 66 44 5 4 84 157 150 218 263 261 8 28 4 3 0,83 0,72 0,4
31328xj2 140 300 77 693 900 88 1500 2200 24,5 7 GB 140 219 70 47 5 4 90 169 160 235 283 280 9 30 4 3 0,83 0,72 0,4
31330xj2 150 320 82 781 1020 100 1400 2000 29,5 7 GB 150 234 75 50 5 4 96 181 170 251 303 300 9 32 4 3 0,83 0,72 0,4

Despre Yinin

Compania de transport și transmisie Shanghai Yinin Înființată în 2009, cu peste 20 de ani de experiență în domeniul rulmenților. Suntem un Producător Seria 31300 Rulment cu role conic Chinez și oferim Fabrică Seria 31300 Rulment cu role conic Personalizată. Din 1999, acționăm ca agent al producătorilor chinezi de rulmenți, exportând diverse tipuri de rulmenți. Astăzi, ne-am dezvoltat într-un grup cuprinzător de rulmenți care integrează vânzările și producția.

Aplicații industriale

De asemenea, rulmenții joacă un rol foarte important în utilajele agricole. Sunt folosite pentru ...

Rulmenții sunt utilizați pe scară largă în automobile. Sunt principalele părți de susținere și ro...

Folosit pentru suport, înălțime, unghi, îmbinare și piese rotative ale echipamentelor medicale.

Folosit pentru suport, rotație, motor și compresor părți ale aparatelor de uz casnic.

Folosit pentru rotația și mișcarea suportului și a ghidului părți ale echipamentelor de automatiz...

În structurile de construcții, rulmenții pot fi folosiți pentru a conecta diferite componente str...

În procesul de producție a alimentelor și băuturilor, pompele sunt necesare pentru transportul li...

Rulmenții sunt folosiți în motoarele aeronave și nave spațiale pentru a sprijini componente rotat...

Știri și informații

Aflați mai multe

2026-02-26

Care sunt diferențele critice dintre gradele de precizi...
În lumea de înaltă precizie a prelucrărilor cu control numeric computerizat (CNC), performanța 6000 rulment cu bile este fundamentală pentru obținerea preciziei sub-micron. Ca cal de bătaie ...

2026-02-19

Analiză tehnică: Care sunt principalele diferențe între...
În domeniul ingineriei de înaltă precizie, selectarea materialului corect pentru Rulmenți adânci cu bile din oțel inoxidabil este o decizie care dictează durata de viață operațională ...

2026-02-12

Este un rulment cu bile din oțel inoxidabil 6200 necesa...
În domeniul ingineriei mișcării rotative, seria 6200 este unul dintre cei mai utilizați rulmenți adânci cu bile, datorită versatilității și capacității de încărcare radială optimizate. Cu toate ace...

Contactați-ne

SUBMIT

Consultanță tehnică

  • Compania de transport și transmisie Shanghai Yinin

    Soluții personalizate

  • Compania de transport și transmisie Shanghai Yinin

    Cercetare și dezvoltare continuă

  • Compania de transport și transmisie Shanghai Yinin

    Controlul calității

  • Compania de transport și transmisie Shanghai Yinin

    Asistență tehnică și instruire

  • Compania de transport și transmisie Shanghai Yinin

    Răspuns rapid

Dacă aveți orice consultanță tehnică sau feedback, vă vom oferi cel mai profesionist răspuns cât mai curând posibil!

Contactați-ne