Seria 32300 Rulment cu role conic
Seria 32300 Rulment cu role conic
Seria 32300 Rulment cu role conic

Seria 32300

The Rulmenți cu role conice seria 32300 sunt rulmenți separabili de mare capacitate proiectați să gestioneze simultan sarcini radiale și axiale semnificative. Această serie prezintă o geometrie interioară abruptă în care unghiurile de contact ale canalului de rulare interioară (con), ale canalului de rulare exterioară (cupă) și rolelor conice converg la un vârf comun pe axa rulmentului. Acest design specific asigură o mișcare reală de rulare și o frecare scăzută în timpul funcționării. Fabricată din oțel crom de înaltă puritate, seria 32300 se caracterizează prin secțiunea transversală mai mare și diametrul rolei crescut în comparație cu seria standard, oferind o capacitate de transport sporită și rigiditate structurală. Acești rulmenți sunt de obicei montați în perechi pentru a obține o constrângere axială bidirecțională, ceea ce îi face componente fundamentale în transmisiile mecanice de putere grele și ansamblurile de osii ale vehiculelor.

Trimiteți o cerere

Specificații tehnice și profil de performanță: Rulmenți cu role conice seria 32300

Avantajele tehnice de bază

  • Gestionare combinată a sarcinii: Proiectat pentru a suporta forțele radiale și de tracțiune de mare magnitudine prin optimizare unghiuri de contact conice .
  • Componente separabile: Cupa și ansamblul conului (role și cușcă) sunt montabile independent, facilitând întreținerea și o întreținere mai ușoară. reglare de precizie a jocului .
  • Stabilitate dimensională ridicată: Procesele specializate de tratament termic asigură menținerea rulmentului toleranțe geometrice în condiții termice fluctuante.
  • Frecare operațională scăzută: Căile de rulare prelucrate cu precizie reduc la minimum rugozitatea suprafeței, reducând cuplul și acumularea de căldură în timpul rotație de mare viteză .

Caracteristici tehnice

Specificația materialului Oțel pentru rulmenți cu crom GCr15 cu conținut ridicat de carbon
Materialul cuștii Oțel presat / alamă prelucrată (în funcție de aplicație)
Gradul de precizie P0 (Normal), P6, P5
Tip de încărcare Unidirecțional Axial High Radial
Interval de temperatură -30°C până la 120°C (ungere standard)

Scenarii de aplicare primare

  • Grupuri de propulsie auto: Butuci de roți pentru camioane grele, diferențiale , și sistemele de transmisie.
  • Utilaje industriale: Componentele primare în unități de reducere a cutiei de viteze , laminoare și echipamente miniere.
  • Echipamente de constructii: Integrat în ansamblurile de transmisie finală ale excavatoarelor și buldozerelor care necesită rezistență la șoc .
  • Inginerie Agricolă: Puncte de pivotare și arbori de transmisie la stres ridicat la tractoare și mașini de recoltat.

Protocoale de instalare și întreținere

Depozitare și manipulare

Rulmenții trebuie depozitați într-un mediu curat și uscat cu a temperatura constanta pentru a preveni condensul umezelii. Învelișul original de grăsime de protecție trebuie să rămână intact; nu eliminați ambalaj antirugină până în momentul instalării. Evitați stivuirea verticală peste înălțimile specificate pentru a preveni deformare eliptică a inelelor.

Precauții de utilizare

  • Reglarea jocului axial: În timpul asamblarii, finalizare sau preîncărcare trebuie setat cu precizie conform specificațiilor producătorului pentru a evita oboseala prematură sau supraîncălzirea.
  • Controlul contaminarii: Asigurați-vă că carcasa și arborele sunt lipsite de particule abrazive; utiliza sigilii compatibile pentru a menține puritatea lubrifiantului în medii exterioare sau cu praf.
  • Alegerea lubrifierii: Utilizați Aditivi pentru presiune extremă (EP). în grăsimi pentru aplicații care implică sarcini mari de șoc pentru a menține o peliculă suficientă de ulei între role și canale de rulare.
  • Verificarea alinierii: Asigurați-vă concentricitatea arborelui la carcasă este în limitele specificate pentru a preveni încărcarea pe margine pe rolele conice.

Parametrii produsului

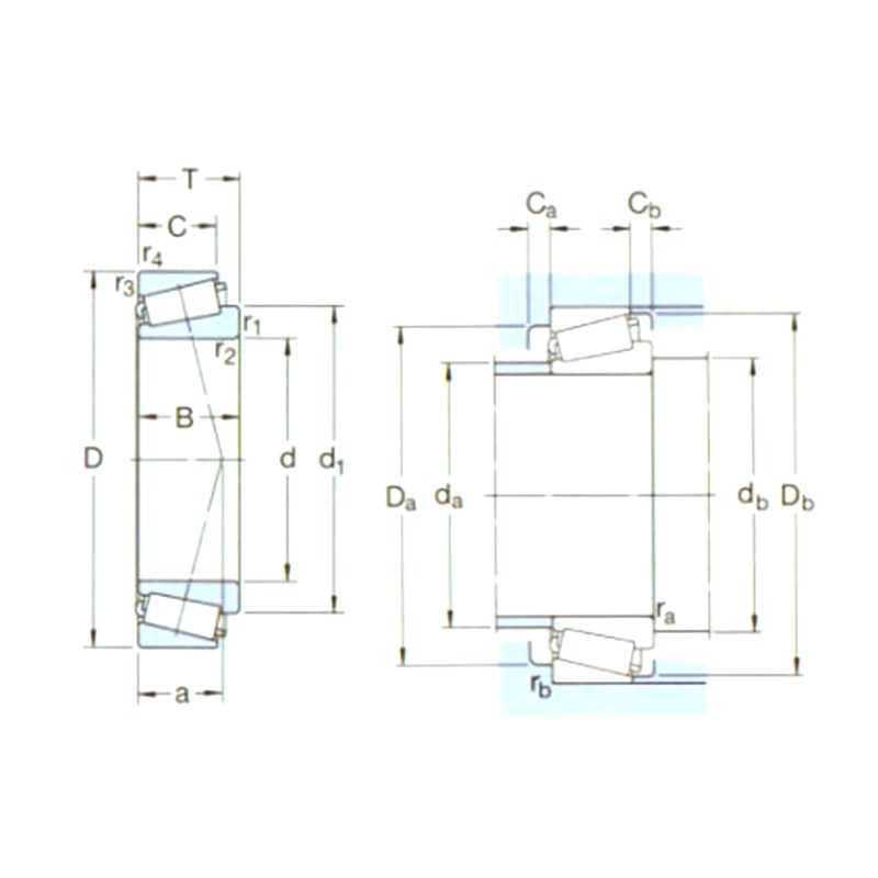
Desemnarea Dimensiuni principale (mm) Capacitate de sarcină de bază (KN) Pu Evaluări de viteză (rpm) Greutate (Kg) ISO335 Dimensiuni (mm) Dimensiunile bontului și filetului (mm) Valoare
d1 D B dyc(Cr) stc(Cor) Evaluări de viteză Limitarea vitezei Dimensiuni (ABMA) d d1~ B C r1,2(min) r3,4(min) a da(max) db(min) Da(min) Da(max) Db(min) Ca(min) Cb(min) ra(max) rb(max) e Y Eu
32303J2/Q 17 47 20,25 40 33,5 3,65 12000 16000 0,17 2FD 17 30,7 19 16 1 1 12 24 23 39 41 43 3 4 1 1 0,28 2,1 1,1
32304J2/Q 20 52 22,25 51 45,5 5 12000 14000 0,23 2FD 20 34,5 21 18 1,5 1,5 14 27 27 43 45 47 3 4 1,5 1,5 0,3 2 1,1
32305J2 25 62 25,25 60,5 63 7,1 8000 12000 0,36 2FD 25 41,7 24 20 1,5 1,5 15 33 32 52 55 57 3 5 1,5 1,5 0,3 2 1,1
32306J2/Q 30 72 28,75 88 85 9,65 7500 10000 0,55 2FD 30 48,7 27 23 1,5 1,5 18 39 37 59 65 66 3 5,5 1,5 1,5 0,31 1,9 1,1
32307J2/Q 35 80 32,75 95,2 106 12,2 6700 9000 0,73 2FE 35 54,8 31 25 2 1,5 20 44 44 66 71 74 4 7,5 2 1,5 0,31 1,9 1,1
32307BJ2/Q 35 80 32,75 93,5 114 13,2 6300 8500 0,80 5FE 35 59,3 31 25 2 1,5 24 42 44 61 71 76 4 7,5 2 1,5 0,54 1,1 0,6
32307/37BJ2/Q 37 80 32,75 93,5 114 13,2 6300 8500 0,85 - 37 54,8 31 25 2 1,5 20 44 44 66 71 74 4 7,5 2 1,5 0,54 1,1 0,6
32308J2/Q 40 90 35,25 117 140 16 5300 8000 1,00 2FD 40 62,9 33 27 2 1,5 23 51 49 73 81 82 3 8 2 1,5 0,35 1,7 0,9
32309J2/Q 45 100 38,25 140 170 20,4 4800 7000 1,35 2FD 45 70,4 36 30 2 1,5 25 57 53 82 91 93 4 8 2 1,5 0,35 1,7 0,9
32309BJ2/QCL7C 45 100 38,25 156 176 20 5000 6700 1,45 5FD 45 74,8 36 30 2 1,5 30 55 53 76 91 94 5 8 2 1,5 0,54 1,1 0,6
32310J2/Q 50 110 42,25 172 212 24 4300 6300 1,80 2FD 50 77,7 40 33 2,5 2 27 63 60 90 100 102 5 9 2 2 0,35 1,7 0,9
32310TN9 50 110 42,25 172 212 24 4300 6300 1,80 2FD 50 77,7 40 33 2,5 2 27 63 60 90 100 102 5 9 2 2 0,35 1,7 0,9
32310BJ2/QCL7C 50 110 42,25 183 216 24,5 4500 6000 1,85 5FD 50 82,9 40 33 2,5 2 34 62 60 83 100 103 5 9 2 2 0,54 1,1 0,6
32311J2 55 120 45,5 198 250 28,5 4000 5600 2,30 2FD 55 84,6 43 35 2,5 2 29 68 65 99 112 111 5 10,5 2 2 0,35 1,7 0,9
32311BJ2/QCL7C 55 120 45,5 216 260 30 4300 5600 2,50 5FD 55 90,5 43 35 2,5 2 36 67 65 91 112 112 5 10,5 2 2 0,54 1,1 0,6
32312J2/Q 60 130 48,5 229 290 34 3600 5300 2,85 2FD 60 91,7 46 37 3 2,5 31 74 72 107 118 120 6 11,5 2,5 2 0,35 1,7 0,9
32312BJ2/QCL7C 60 130 48,5 255 305 35,5 3800 5000 2,80 5FD 60 98,1 46 37 3 2,5 38 73 72 99 118 122 6 11,5 2,5 2 0,54 1,1 0,6
32313J2/Q 65 140 51 264 335 40 3400 4800 3,45 2GD 65 99,2 48 39 3 2,5 33 80 77 117 128 130 6 12 2,5 2 0,35 1,7 0,9
32313BJ2/QU4CL7CVQ267 65 140 51 285 345 40,5 3600 4800 3,35 5GD 65 105 48 39 3 2,5 41 79 77 107 128 131 6 12 2,5 2 0,54 1,1 0,6
32314J2/Q 70 150 54 297 380 45 3200 4500 4,30 2GD 70 106 51 42 3 2,5 36 86 82 125 138 140 6 12 2,5 2 0,35 1,7 0,9
32314BJ2/QCL7C 70 150 54 325 400 46,5 3400 4300 4,25 5GD 70 113 51 42 3 2,5 44 85 82 115 138 141 7 12 2,5 2 0,54 1,1 0,6
32315J2 75 160 58 336 440 51 3000 4300 5,20 2GD 75 113 55 45 3 2,5 38 92 87 133 148 149 7 13 2,5 2 0,35 1,7 0,9
32315BJ2/QCL7C 75 160 58 380 475 55 3200 4000 5,55 5GD 75 120 55 45 3 2,5 46 90 87 124 148 151 7 13 2,5 2 0,54 1,1 0,6
32316J2 80 170 61,5 380 500 57 3000 4300 6,20 2GD 80 120 58 48 3 2,5 41 98 92 142 158 159 7 13,5 2,5 2 0,35 1,7 0,9
32317J2 85 180 63,5 402 530 60 2800 4000 6,85 2GD 85 126 60 49 4 3 42 103 99 150 166 167 7 14,5 3 2,5 0,35 1,7 0,9
32317BJ2 85 180 63,5 391 560 62 2800 4000 7,50 5GD 85 135 60 49 4 3 52 102 99 138 166 169 7 14,5 3 2,5 0,54 1,1 0,6
32318J2 90 190 67,5 457 610 67 2600 4000 8,40 2GD 90 133 64 53 4 3 44 109 105 157 176 177 7 14,5 3 2,5 0,35 1,7 0,9
32319J2 95 200 71,5 501 670 72 2400 3400 11,0 2GD 95 141 67 55 4 3 47 115 110 166 186 186 8 16,5 3 2,5 0,35 1,7 0,9
32320J2 100 215 77,5 572 780 83 2200 3000 12,5 2GD 100 151 73 60 4 3 51 123 115 177 201 200 8 17,5 3 2,5 0,35 1,7 0,9
32321J2 105 225 81,5 605 815 85 2000 3000 14,5 2GD 105 158 77 63 4 3 53 129 120 185 211 209 9 18,5 3 2,5 0,35 1,7 0,9
32322 110 240 84,5 627 830 86,5 1900 2800 17,0 2GD 110 168 80 65 4 3 55 137 125 198 226 222 9 19,5 3 2,5 0,35 1,7 0,9
32324J2 120 260 90,5 792 1120 110 1800 2600 21,5 2GD 120 181 86 69 4 3 60 148 135 213 245 239 9 21,5 3 2,5 0,35 1,7 0,9

Despre Yinin

Compania de transport și transmisie Shanghai Yinin Înființată în 2009, cu peste 20 de ani de experiență în domeniul rulmenților. Suntem un Producător Seria 32300 Rulment cu role conic Chinez și oferim Fabrică Seria 32300 Rulment cu role conic Personalizată. Din 1999, acționăm ca agent al producătorilor chinezi de rulmenți, exportând diverse tipuri de rulmenți. Astăzi, ne-am dezvoltat într-un grup cuprinzător de rulmenți care integrează vânzările și producția.

Aplicații industriale

De asemenea, rulmenții joacă un rol foarte important în utilajele agricole. Sunt folosite pentru ...

Rulmenții sunt utilizați pe scară largă în automobile. Sunt principalele părți de susținere și ro...

Folosit pentru suport, înălțime, unghi, îmbinare și piese rotative ale echipamentelor medicale.

Folosit pentru suport, rotație, motor și compresor părți ale aparatelor de uz casnic.

Folosit pentru rotația și mișcarea suportului și a ghidului părți ale echipamentelor de automatiz...

În structurile de construcții, rulmenții pot fi folosiți pentru a conecta diferite componente str...

În procesul de producție a alimentelor și băuturilor, pompele sunt necesare pentru transportul li...

Rulmenții sunt folosiți în motoarele aeronave și nave spațiale pentru a sprijini componente rotat...

Știri și informații

Aflați mai multe

2026-04-30

Rulmenți din oțel inoxidabil: Ghid de comparare a rugin...
Rulmenți din oțel inoxidabil sunt printre cele mai utilizate materiale pentru rulmenți în produsele industriale și de larg consum. Ele oferă o bună rezistență la coroziune în majoritatea medi...

2026-04-23

Strategii de inginerie pentru optimizarea duratei de vi...
Shanghai Yinin Bearing & Transmission Company, înființată ca o întreprindere integrată în industrie și comerț din 2016, este specializată în proiectarea și fabricarea cuprinzătoare a componentelor ...

2026-04-15

Cum se selectează jocul interior potrivit pentru un rul...
Impactul vitezelor mari de rotație asupra jocului lagărului Forța centrifugă și expansiunea termică : În aplicațiile de mare viteză, inelul interior al unui rulment cu bile cu ...

Contactați-ne

SUBMIT

Consultanță tehnică

  • Compania de transport și transmisie Shanghai Yinin

    Soluții personalizate

  • Compania de transport și transmisie Shanghai Yinin

    Cercetare și dezvoltare continuă

  • Compania de transport și transmisie Shanghai Yinin

    Controlul calității

  • Compania de transport și transmisie Shanghai Yinin

    Asistență tehnică și instruire

  • Compania de transport și transmisie Shanghai Yinin

    Răspuns rapid

Dacă aveți orice consultanță tehnică sau feedback, vă vom oferi cel mai profesionist răspuns cât mai curând posibil!

Contactați-ne