Seria 51200 Rulmentul cu bile de tracțiune
Seria 51200 Rulmentul cu bile de tracțiune
Seria 51200 Rulmentul cu bile de tracțiune

Seria 51200

Rulmentul cu bilă de tracțiune din seria 51200 este un rulment de rulare special conceput pentru a suporta sarcina axială. De obicei, este format din una sau mai multe sfere și două rase de rulment. Acest tip de rulment este utilizat în principal în aplicațiile care trebuie să reziste la forțe axiale mari, cum ar fi echipamente mecanice, automobile, aerospațiale și alte câmpuri. Bilele din seria 51200 sunt confecționate din materiale cu daliere mare, care au o rezistență bună la uzură și o rezistență la compresiune și pot menține performanțe stabile în timpul funcționării de mare viteză. Are o structură compactă și este ușor de instalat, ceea ce o face potrivită pentru utilizare în spații limitate. Datorită performanței și fiabilității sale superioare, rulmenții cu bile de tracțiune din seria 51200 sunt utilizate pe scară largă în producția industrială și utilaje zilnice.

Trimiteți o cerere

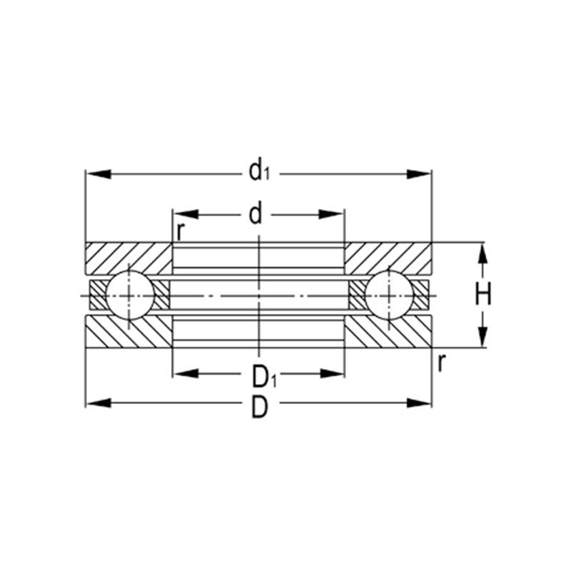
Parametrii produsului

D.esemnare Dimensiuni principale (MM) Evaluări D.e încărcare de bază (KN) Viteză limitată (RPM) Greutate
d D T Dinamic (CR) Static (cor) Grăsime Ulei (kg)
51203 17 35 12 17 27.2 4500 6300 0.048
51204 20 40 14 22.2 37.5 3800 5300 0.075
51205 25 47 15 27.8 50.5 3400 4800 0.11
51206 30 52 16 28 54.2 3200 4500 0.13
51207 35 62 18 39.2 78.2 2800 4000 0.21
51208 40 68 19 47 98.2 2400 3600 0.26
51209 45 73 20 47.8 105 2200 3400 0.3
51210 50 78 22 48.5 112 2000 3200 0.37
51211 55 90 25 67.5 158 1900 3000 0.58
51212 60 95 26 73.5 178 1800 2800 0.66
51213 65 100 27 74.8 188 1700 2600 0.72
51214 70 105 27 73.5 188 1600 2400 0.75
51215 75 110 27 74.8 198 1500 2200 0.82
51216 80 115 28 83.8 222 1400 2000 0.9
51217 85 125 31 102 280 1300 1900 1.21
51218 90 135 35 115 315 1200 1800 1.65
51220 100 150 38 132 375 1100 1700 2.21
51222 110 160 38 138 412 1000 1600 2.39

Despre Yinin

Compania de transport și transmisie Shanghai Yinin Înființată în 2009, cu peste 20 de ani de experiență în domeniul rulmenților. Suntem un Producător Seria 51200 Rulmentul cu bile de tracțiune Chinez și oferim Fabrică Seria 51200 Rulmentul cu bile de tracțiune Personalizată. Din 1999, acționăm ca agent al producătorilor chinezi de rulmenți, exportând diverse tipuri de rulmenți. Astăzi, ne-am dezvoltat într-un grup cuprinzător de rulmenți care integrează vânzările și producția.

Aplicații industriale

De asemenea, rulmenții joacă un rol foarte important în utilajele agricole. Sunt folosite pentru ...

Rulmenții sunt utilizați pe scară largă în automobile. Sunt principalele părți de susținere și ro...

Folosit pentru suport, înălțime, unghi, îmbinare și piese rotative ale echipamentelor medicale.

Folosit pentru suport, rotație, motor și compresor părți ale aparatelor de uz casnic.

Folosit pentru rotația și mișcarea suportului și a ghidului părți ale echipamentelor de automatiz...

În structurile de construcții, rulmenții pot fi folosiți pentru a conecta diferite componente str...

În procesul de producție a alimentelor și băuturilor, pompele sunt necesare pentru transportul li...

Rulmenții sunt folosiți în motoarele aeronave și nave spațiale pentru a sprijini componente rotat...

Știri și informații

Aflați mai multe

2026-02-26

Care sunt diferențele critice dintre gradele de precizi...
În lumea de înaltă precizie a prelucrărilor cu control numeric computerizat (CNC), performanța 6000 rulment cu bile este fundamentală pentru obținerea preciziei sub-micron. Ca cal de bătaie ...

2026-02-19

Analiză tehnică: Care sunt principalele diferențe între...
În domeniul ingineriei de înaltă precizie, selectarea materialului corect pentru Rulmenți adânci cu bile din oțel inoxidabil este o decizie care dictează durata de viață operațională ...

2026-02-12

Este un rulment cu bile din oțel inoxidabil 6200 necesa...
În domeniul ingineriei mișcării rotative, seria 6200 este unul dintre cei mai utilizați rulmenți adânci cu bile, datorită versatilității și capacității de încărcare radială optimizate. Cu toate ace...

Contactați-ne

SUBMIT

Consultanță tehnică

  • Compania de transport și transmisie Shanghai Yinin

    Soluții personalizate

  • Compania de transport și transmisie Shanghai Yinin

    Cercetare și dezvoltare continuă

  • Compania de transport și transmisie Shanghai Yinin

    Controlul calității

  • Compania de transport și transmisie Shanghai Yinin

    Asistență tehnică și instruire

  • Compania de transport și transmisie Shanghai Yinin

    Răspuns rapid

Dacă aveți orice consultanță tehnică sau feedback, vă vom oferi cel mai profesionist răspuns cât mai curând posibil!

Contactați-ne